Divisores de Frecuencia

FB464V2

NEW

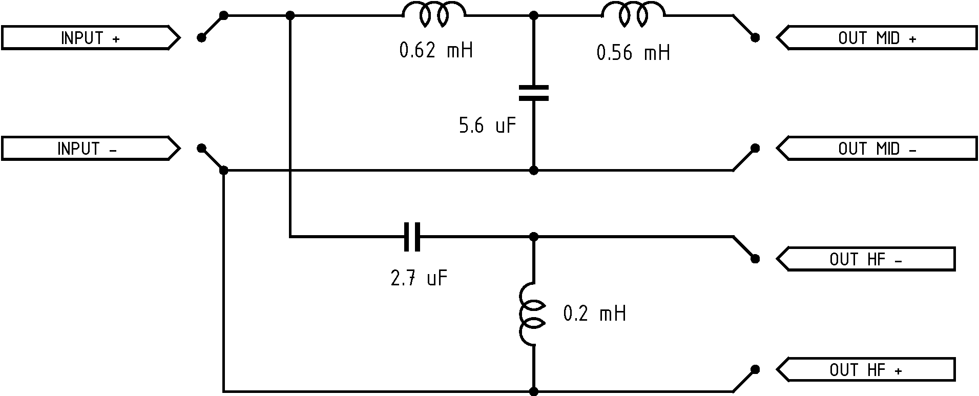
Para completar la solución de fuente puntual más precisa disponible, B&C Speakers ofrece el divisor de frecuencia pasivo FB464 para nuestro driver de compresión coaxial DCX464. Diseñado específicamente para su uso en conjunto con la bocina de 300Hz, ME464, los usuarios de todo tipo pueden ahora obtener una respuesta plana de alta fidelidad, lista para su aplicación, utilizando componentes 100% OEM. La fase en el cruce del FB464 alinea los elementos de frecuencias medias y altas del DCX464 e implementa un cruce de pendiente asimétrica a 3.6kHz sin reducir la eficiencia. Esta frecuencia de cruce balancea perfectamente la energía entre los dos diafragmas para una distorsión mínima en todos los niveles de salida. La protección en serie es proporcionada adicionalmente por lámparas industriales de filamento que evitan los excesos de potencia o el desequilibrio tonal inconsistente a muy altos niveles de salida.


Features


General

Impedancia nominal

8 Ω

Especificación

Impedancia nominal

8 Ω

Frecuencia de Cruce

3.6 kHz

Tipo de filtro

Dos Vías

Pendiente

18 - 12 dB/oct

Dimensiones totales

105x137 mm (4.13x5.39 in)

Información de montaje y envío

Other details

4 mm diameter holes on the PCB at 127 mm x 95 mm

Peso neto

0.73 kg (1.61 lb)

Unidades del envío

1 pcs

Peso del envío

0.77 kg (1.7 lb)

Caja de envío

147x117x58 mm (5.79x4.61x2.28 in)

Potential Applications

Coaxial HF
DCX464
DCX462